Настенный газовый двухконтурный котел METEOR C30 18C (18 кВт, раздельные теплообменники)
Настенный газовый двухконтурный котел METEOR C30 18C (18 кВт, раздельные теплообменники)
Артикул: 10680202003 Код: 00028037
0 0 отзывов
46 148.90 руб. / шт
42 918.60 руб. / шт
при оформлении
Товар в наличии
Самовывоз:
Правый берег:
сегодня
Левый берег:
сегодня
Купить в 1 клик
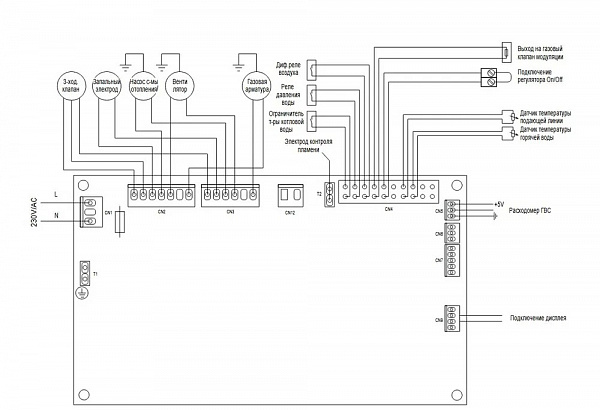
Двухконтурный конвекционный котел с закрытой камерой сгорания и раздельными теплообменниками мощностью 18 кВт. Компактные размеры удобны для поквартирного отопления и отопления небольших коттеджей. Сенсорное управление, простая, интуитивно понятная навигация. Большой экран высокой четкости. Дистанционное управление через приложение. Модулируемая от 8.5 до 17.8 кВт горелка. Латунная гидрогруппа.. Комфортная температура горячей воды от 35 до 60 °С. Адаптирован к условиям эксплуатации в ЕАС..
Преимущества:
• Сенсорное управление, большой дисплей.
• Боковое расположение расширительного бака обеспечивает удобство и простоту обслуживания.
• Эксплуатация в погодозависимом режиме.
• Работа в режиме «радиаторное отопление» или в режиме «тёплый пол».
• Стабильная работа в диапазоне 175-250 В.
Преимущества:
• Сенсорное управление, большой дисплей.
• Боковое расположение расширительного бака обеспечивает удобство и простоту обслуживания.
• Эксплуатация в погодозависимом режиме.
• Работа в режиме «радиаторное отопление» или в режиме «тёплый пол».
• Стабильная работа в диапазоне 175-250 В.
Характеристики
Бренд
METEOR Thermo
Макс. тепловая мощность, кВт
18
Вид:
Настенный газовый котел
Тип:
Двухконтурный
Диапазон тепловых мощностей, кВт:
8,5 - 20,0
Площадь обогрева (среднее справочное), м²:
180
Тепловая мощность в режиме ГВС, кВт:
26.4
Производительность горячей воды при ΔТ=25°C, л/мин:
13.6
Максимальный расход природного газа, м³/час:
2.12
Присоединительный размер газа:
3/4" наружная резьба
Напряжение, В:
~ 220 +- 10%
Потребляемая электрическая мощность, Вт:
135
Тип монтажа:
Настенный
Объем расширительного бака, л:
6
Максимально рабочее давление, бар:
3
Диаметр дымохода:
Коаксиальный 60 / 100 мм
Габаритные размеры (В х Ш х Г), мм:
704 x 403 x 245
Цвет:
Белый
Срок службы:
10 лет
Страна производства:
КИТАЙ
Вес:
33.4 кг.
Доставка
-
Самовывоз БЕСПЛАТНО:
В магазинах “Тепловоз” в Новосибирске
Из ПВЗ транспортной компании в остальных городах России.
-
Курьерская доставка:
Доступна только для Новосибирска, для отдаленных районов расчет индивидуальный.
-
Транспортной компанией из Новосибирска:
Отправим заказ любой доступной транспортной компанией.
Оплата
- Наличными
- Банковской картой
- Онлайн оплата без комисии
- Безналичный расчет (с НДС, без НДС)
Нет отзывов
У этого товара пока нет отзывов
0 отзывов
0
0
0
0
0
Отзыв о товаре
Вы смотрели
Похожие товары
-
74 314.40 руб. / шт65 396.60 руб. / штпри оформленииВид: Настенный газовый котел
Мощность, кВт: 24
Диапазон тепловых мощностей, кВт: 7,2 - 24,0
Площадь обогрева (среднее справочное), м²: 240
Товар в наличииКупить в 1 клик -
57 204.30 руб. / шт53 200.00 руб. / штпри оформленииВид: Настенный газовый котел
Мощность, кВт: 26
Диапазон тепловых мощностей, кВт: 6,1 - 25,6
Площадь обогрева (среднее справочное), м²: 260
Товар в наличииКупить в 1 клик -
56 989.78 руб. / шт53 000.50 руб. / штпри оформленииВид: Настенный газовый котел
Мощность, кВт: 24
Диапазон тепловых мощностей, кВт: 9,6 - 24,0
Площадь обогрева (среднее справочное), м²: 240
Ожидается поступлениеКупить в 1 клик -
40 873.10 руб. / шт38 012.00 руб. / штпри оформленииВид: Настенный газовый котел
Мощность, кВт: 18
Диапазон тепловых мощностей, кВт: 7,5 - 18,0
Площадь обогрева (среднее справочное), м²: 180
Товар в наличииКупить в 1 клик -
41 935.48 руб. / шт39 000.00 руб. / штпри оформленииВид: Настенный газовый котел
Диапазон тепловых мощностей, кВт: 7,5 - 18,0
Площадь обогрева (среднее справочное), м²: 180
Тепловая мощность в режиме ГВС, кВт: 24
Товар в наличииКупить в 1 клик -
Вид: Настенный газовый котел
Диапазон тепловых мощностей, кВт: 9,6 - 24,0
Площадь обогрева (среднее справочное), м²: 240
Тепловая мощность в режиме ГВС, кВт: 24
Нет в наличииКупить в 1 клик